主動制冷、可換濾鏡 Centralds把Z6改造成天文相機
Napoleon Chan / 2020-05-22 09:4338088日前Centralds推出了基于Z6改造的天文相機CDS Cooled Z6,在改造后相機傳感器被移出了機身外,加裝了主動散熱系統與可換濾鏡系統,大大提升長曝光畫質。

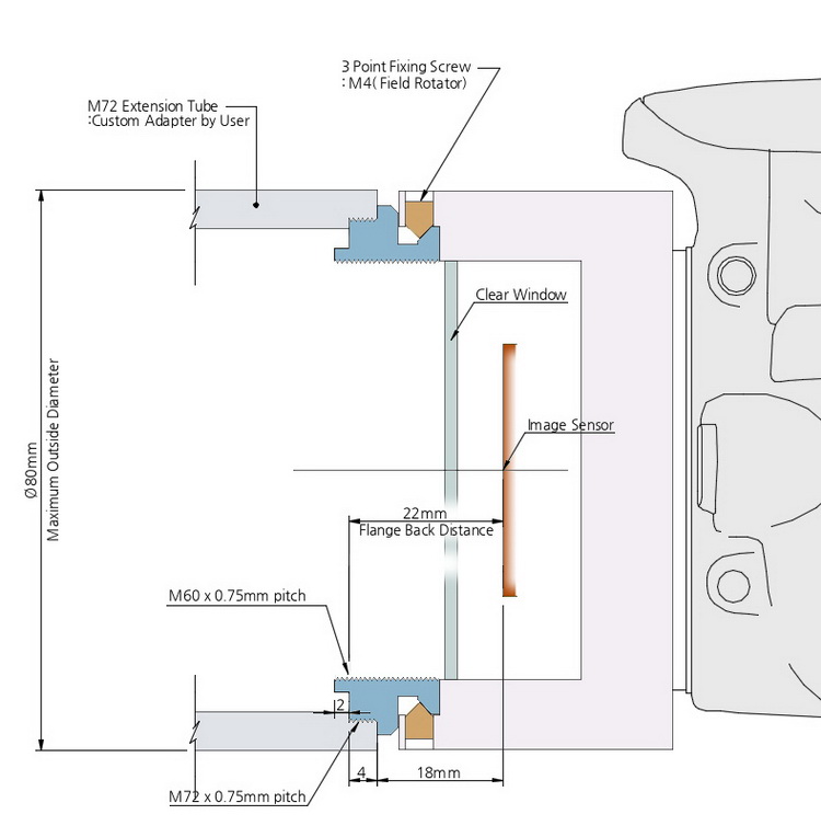
深空攝影是近幾年新興的攝影領域,為了拍攝出星空特有色彩,尼康、佳能都推出了專用的天文相機,例如D810a、EOS Ra,不過原廠改裝在Centralds面前簡直是小巫見大巫。在新改裝的CDS Cooled Z6天文相機中,Centralds拆除了機身防抖裝置,把CMOS傳感器移動到機身外面,把它放在一個重新設計卡口當中。

在新卡口中,Centralds不僅設計了一個插片式可換濾鏡系統,方便用戶安裝各種窄波濾鏡,還為CMOS傳感器安裝了主動散熱系統,至于拆除傳感器原有濾鏡自然不用多說了。不過要注意的是,改裝后的CDS Cooled Z6拋棄了Z卡口,變成CF2卡口,新卡口法蘭距長于Z卡口,也沒有電子觸點,無法使用尼康Z卡口鏡頭。

為了展示改裝后優異的畫質,Centralds放出了一組對比照片,顯示出改造后的CDS Cooled Z在ISO 1600、450s曝光下噪點能大幅度降低。


此外Centralds還帶來一張實拍樣張,拍攝時使用Samyang 85mm F1.2鏡頭,光圈為F1.2、感光度為ISO 1600,曝光時間90s,單張拍攝。經過改造后的CDS Cooled Z6定價為2990美元,是原版的兩倍。

點個贊761
主動制冷、可換濾鏡 Centralds把Z6改造成天文相機














滬公網安備 31010702005758號
發表評論注冊|登錄